储罐式气控快速启闭阀
产品简介
我公司生产的气控快速启闭阀是具有自主知识产权的高科技机电气一体化产品。具有体积小、外形美观、安全可靠、运行寿命长,性能优良、安装使用维护方便等优点。
本系列产品传动部分均为恒力臂的紧凑型齿轮齿条传动机构。产品根据工作环境的要求导致配套元件的不同,分为常规快速启闭阀和防爆快速启闭阀;根据紧急快速启闭时储能元件的不同又分为储气罐式和弹簧式两种不同的型式。执行器气缸尾部设有行缓冲装置,防止快速动作时的缸击及震动,有效保护阀门及设备安全运行。
储气罐式以钢制储气罐为紧急关阀动力源;正常工况下,压力气源通过电磁阀控制阀门的常速启闭,并在储气罐中储备有足够的压缩空气。弹簧式以压缩弹簧为紧急关阀动力源;正常工况下,压力气源通过电磁阀控制阀门的常速启闭,并压缩弹簧以储备能量。当系统出现危机工况时,电磁阀动作,储气罐中压力气源或压缩弹簧快速释放,控制主阀在0.2~0.8秒钟内实施紧急启闭,实现管路的可靠截止或导通,保护管道主机设备的安全。
常规快速启闭阀主要安装于汽轮机抽汽管、连通管及其他高安全等级管路。防爆快速启闭阀主要用于化工、冶金、能源管线、生物发电以及高炉煤气余压发电装置(TRT)逃气管路等危险管道的紧急快关截止,或者在煤矿行业,防瓦斯等危险气体防爆的高安厂所对设备快速关闭或打开。
销售热线:
产品详情
主要标准与基本参数Main criteria and basic parameters
|
制造标准Manufacturing standard |
JB/T 11490 JB/T 8527 |
|
|
结构⻓度Face - to - Face |
GB/T 12221 |
|
|
配管法兰 Piping flange |
JB/T 74~90、GB/T 12380、GB/T 9112-9131 |
|
|
压力-温度等级 Pressure - temperature rating |
GB/T 9131、HGJ 67、JB/T 74 |
|
|
质量保证Quality assurance |
TS 2710873 |
|
|
试验与检验Test and inspection |
GB/T 13927 |
|
|
公称通径DN |
200~2400 mm |
|
|
公称压力PN |
0.25~10.0Mpa、150~600LB |
|
|
试验压力Ps |
密封Seal |
1.1xPN |
|
强度Intensity |
1.5xPN |
|
|
工作压力Working pressure |
0.8xPN |
|
|
快速启闭时间 Fast opening and closing time |
0.2~1.0S |
|
主要零部件材料Main parts material
|
阀体材料 |
C |
I |
P |
P8 |
P3 |
R |
R8 |
R3 |
|
阀体Body |
WCB |
ZG1Cr5Mo |
ZG12Cr18Ni9 |
CF8(304) |
CF3(304L) |
ZG1Cr18Ni 12Mo2Ti |
CF8M(316) |
CF3M(316L) |
|
蝶板Plate |
WCB |
ZG1Cr5Mo |
ZG12Cr18Ni9 |
CF8(304) |
CF3(304L) |
ZG1Cr18Ni 12Mo2Ti |
CF8M(316) |
CF3M(316L) |
|
压圈 |
WCB |
ZG1Cr5Mo |
ZG12Cr18Ni9 |
CF8(304) |
CF3(304L) |
ZG1Cr18N i12Mo2Ti |
CF8M(316) |
CF3M(316L) |
|
阀杆Stem |
20Cr13 |
25Cr2Mo1V |
12Cr18Ni9 |
06Cr19Ni9 |
022Cr19Ni10 |
12Cr18Ni 2Mo2Ti |
06Cr17Ni 12Mo2 |
022Cr17Ni 14Mo2 |
|
阀座Seat |
堆焊 |
堆焊 |
堆焊 |
堆焊 |
堆焊 |
堆焊 |
堆焊SurfacingSTL |
堆焊Surfacing STL |
|
适用介质Applicable medium |
水、蒸汽、气体、油品等 |
硝酸等腐蚀性介质Corrosive medium such as nitric acid |
强氧化性介质 |
醋酸等腐蚀性介质 |
尿素等腐蚀性
介质 |
|||
|
适用温度(°C) |
-29~425 |
-29~550 |
-29~600 |
|||||
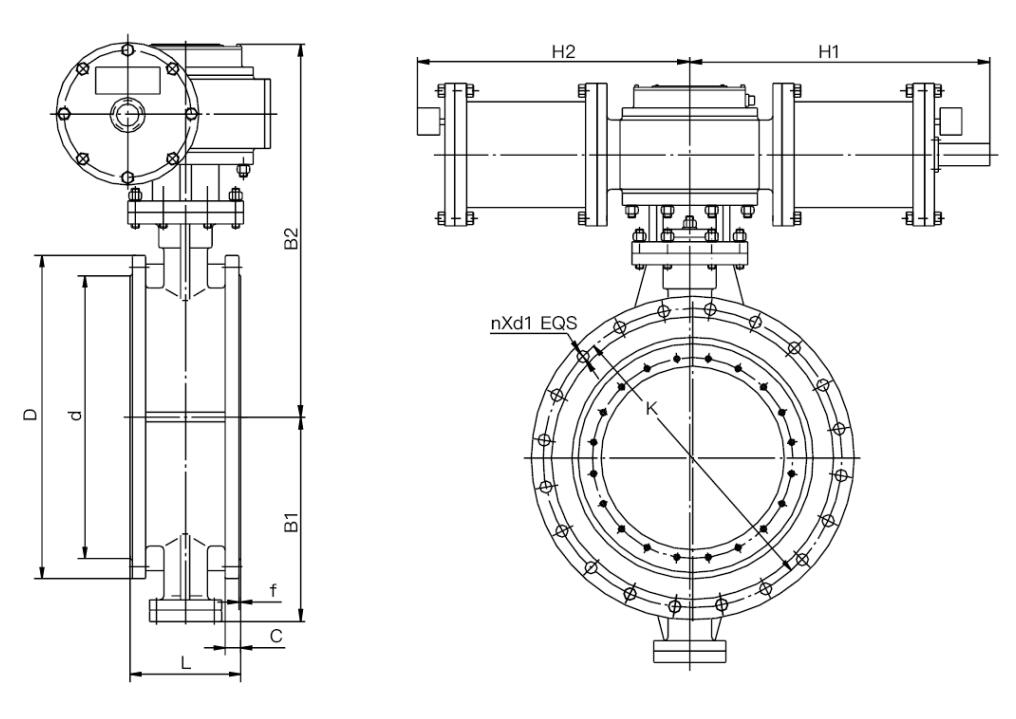
主要外形尺寸Main external dimensions PN=0.6Mpa
|
DN |
L |
D |
K |
d |
C |
f |
n |
d1 |
H1 |
H2 |
B1 |
B2 |
|
200 |
152 |
320 |
280 |
254 |
22 |
2 |
8 |
18 |
315 |
265 |
235 |
660 |
|
250 |
165 |
375 |
335 |
309 |
24 |
2 |
12 |
22 |
315 |
265 |
265 |
710 |
|
300 |
178 |
440 |
395 |
363 |
24 |
2 |
12 |
22 |
315 |
265 |
290 |
730 |
|
350 |
190 |
490 |
445 |
413 |
24 |
2 |
12 |
22 |
415 |
345 |
305 |
760 |
|
400 |
216 |
540 |
495 |
463 |
24 |
2 |
16 |
22 |
415 |
345 |
345 |
810 |
|
450 |
222 |
595 |
550 |
518 |
24 |
2 |
16 |
22 |
415 |
345 |
375 |
840 |
|
500 |
229 |
645 |
600 |
568 |
26 |
2 |
20 |
22 |
525 |
415 |
430 |
885 |
|
600 |
267 |
755 |
705 |
667 |
26 |
2 |
20 |
26 |
525 |
415 |
515 |
940 |
|
700 |
292 |
860 |
810 |
772 |
26 |
5 |
24 |
26 |
585 |
515 |
555 |
1050 |
|
800 |
318 |
975 |
920 |
878 |
26 |
5 |
24 |
30 |
585 |
515 |
605 |
1105 |
|
900 |
330 |
1075 |
1020 |
978 |
26 |
5 |
24 |
30 |
760 |
645 |
670 |
1210 |
|
1000 |
410 |
1175 |
1120 |
1078 |
26 |
5 |
28 |
30 |
760 |
645 |
755 |
1280 |
|
1200 |
470 |
1405 |
1340 |
1295 |
28 |
5 |
32 |
33 |
915 |
805 |
855 |
1380 |
|
1300 |
530 |
1520 |
1450 |
1405 |
32 |
5 |
32 |
33 |
915 |
805 |
965 |
1490 |
|
1400 |
530 |
1630 |
1560 |
1510 |
32 |
5 |
36 |
36 |
915 |
805 |
1070 |
1540 |
|
1500 |
600 |
1730 |
1660 |
1610 |
34 |
5 |
36 |
36 |
1150 |
915 |
1145 |
1710 |
|
1600 |
600 |
1830 |
1760 |
1710 |
34 |
5 |
40 |
36 |
1150 |
915 |
1210 |
1795 |
|
1750 |
670 |
1995 |
1920 |
1868 |
36 |
5 |
44 |
39 |
1150 |
915 |
1265 |
1865 |
|
1800 |
670 |
2045 |
1970 |
1918 |
36 |
5 |
44 |
39 |
1150 |
915 |
1310 |
1893 |
|
2000 |
760 |
2265 |
2180 |
2125 |
38 |
5 |
48 |
42 |
1320 |
1150 |
1380 |
2005 |
|
2200 |
590 |
2475 |
2390 |
2335 |
42 |
6 |
52 |
42 |
1320 |
1150 |
1480 |
2080 |
|
2400 |
650 |
2685 |
2600 |
2545 |
45 |
6 |
56 |
42 |
1320 |
1150 |
1590 |
2150 |
主要外形尺寸Main external dimensions PN=1.0Mpa
|
DN |
L |
D |
K |
d |
C |
f |
n |
d1 |
H1 |
H2 |
B1 |
B2 |
|
200 |
152 |
340 |
295 |
266 |
24 |
2 |
8 |
22 |
315 |
265 |
235 |
660 |
|
250 |
165 |
395 |
350 |
319 |
26 |
2 |
12 |
22 |
315 |
265 |
265 |
710 |
|
300 |
178 |
445 |
400 |
370 |
26 |
2 |
12 |
22 |
315 |
265 |
290 |
730 |
|
350 |
190 |
505 |
460 |
429 |
26 |
2 |
16 |
22 |
415 |
345 |
305 |
760 |
|
400 |
216 |
565 |
515 |
480 |
26 |
2 |
16 |
26 |
415 |
345 |
345 |
810 |
|
450 |
222 |
615 |
565 |
530 |
28 |
2 |
20 |
26 |
415 |
345 |
375 |
840 |
|
500 |
229 |
670 |
620 |
582 |
28 |
2 |
20 |
26 |
525 |
415 |
430 |
885 |
|
600 |
267 |
780 |
725 |
682 |
34 |
2 |
20 |
30 |
525 |
415 |
515 |
1010 |
|
700 |
292 |
895 |
840 |
794 |
34 |
5 |
24 |
30 |
585 |
515 |
555 |
1050 |
|
800 |
318 |
1015 |
950 |
901 |
36 |
5 |
24 |
33 |
585 |
515 |
605 |
1105 |
|
900 |
330 |
1115 |
1050 |
1001 |
38 |
5 |
28 |
33 |
760 |
645 |
670 |
1160 |
|
1000 |
410 |
1230 |
1160 |
1112 |
38 |
5 |
28 |
36 |
760 |
645 |
755 |
1280 |
|
1100 |
410 |
1340 |
1270 |
1222 |
42 |
5 |
28 |
36 |
760 |
645 |
805 |
1320 |
|
1200 |
470 |
1455 |
1380 |
1328 |
44 |
5 |
32 |
39 |
915 |
805 |
855 |
1380 |
|
1250 |
470 |
1505 |
1430 |
1378 |
44 |
5 |
32 |
39 |
915 |
805 |
875 |
1400 |
|
1300 |
530 |
1575 |
1490 |
1425 |
44 |
5 |
32 |
42 |
915 |
805 |
965 |
1490 |
|
1400 |
530 |
1675 |
1590 |
1530 |
48 |
5 |
36 |
42 |
1150 |
915 |
1070 |
1590 |
|
1500 |
600 |
1785 |
1700 |
1640 |
48 |
5 |
36 |
48 |
1150 |
915 |
1145 |
1710 |
|
1600 |
600 |
1915 |
1820 |
1750 |
52 |
5 |
40 |
48 |
1150 |
915 |
1210 |
1795 |
|
1750 |
670 |
2065 |
1970 |
1900 |
54 |
5 |
44 |
48 |
1150 |
915 |
1265 |
1865 |
|
1800 |
670 |
2115 |
2020 |
1950 |
56 |
5 |
44 |
48 |
1320 |
1150 |
1310 |
1893 |
主要外形尺寸Main external dimensions PN=1.6Mpa
|
DN |
L |
D |
K |
d |
C |
f |
n |
d1 |
H1 |
H2 |
B1 |
B2 |
|
200 |
152 |
340 |
295 |
266 |
24 |
2 |
12 |
22 |
315 |
265 |
235 |
660 |
|
250 |
165 |
405 |
355 |
319 |
26 |
2 |
12 |
26 |
315 |
265 |
265 |
710 |
|
300 |
178 |
460 |
410 |
370 |
28 |
2 |
12 |
26 |
315 |
265 |
290 |
730 |
|
350 |
190 |
520 |
470 |
429 |
30 |
2 |
16 |
26 |
415 |
345 |
305 |
760 |
|
400 |
216 |
580 |
525 |
480 |
32 |
2 |
16 |
30 |
415 |
345 |
345 |
810 |
|
450 |
222 |
640 |
585 |
548 |
34 |
2 |
20 |
30 |
415 |
345 |
375 |
840 |
|
500 |
229 |
715 |
650 |
609 |
38 |
2 |
20 |
33 |
525 |
415 |
430 |
885 |
|
600 |
267 |
840 |
770 |
720 |
38 |
2 |
20 |
36 |
525 |
415 |
515 |
1010 |
|
700 |
292 |
910 |
840 |
794 |
40 |
5 |
24 |
36 |
585 |
515 |
555 |
1050 |
|
800 |
318 |
1025 |
950 |
901 |
42 |
5 |
24 |
39 |
585 |
515 |
605 |
1105 |
|
900 |
330 |
1125 |
1050 |
1001 |
44 |
5 |
28 |
39 |
760 |
645 |
670 |
1160 |
|
1000 |
410 |
1255 |
1170 |
1112 |
46 |
5 |
28 |
42 |
760 |
645 |
755 |
1280 |
|
1100 |
410 |
1370 |
1280 |
1222 |
46 |
5 |
28 |
42 |
915 |
805 |
805 |
1320 |
|
1200 |
470 |
1485 |
1390 |
1328 |
52 |
5 |
32 |
48 |
915 |
805 |
855 |
1380 |
|
1250 |
470 |
1535 |
1440 |
1378 |
52 |
5 |
32 |
48 |
915 |
805 |
875 |
1400 |
|
1300 |
530 |
1585 |
1490 |
1425 |
54 |
5 |
32 |
48 |
1150 |
915 |
965 |
1490 |
|
1400 |
530 |
1685 |
1590 |
1530 |
58 |
5 |
36 |
48 |
1150 |
915 |
1070 |
1590 |
|
1500 |
600 |
1820 |
1710 |
1640 |
60 |
5 |
36 |
48 |
1150 |
915 |
1145 |
1710 |
|
1600 |
600 |
1930 |
1820 |
1750 |
64 |
5 |
40 |
55 |
1150 |
915 |
1210 |
1795 |
|
1750 |
670 |
2080 |
1970 |
1900 |
66 |
5 |
44 |
55 |
1320 |
1150 |
1265 |
1865 |
|
1800 |
670 |
2130 |
2020 |
1950 |
68 |
5 |
44 |
55 |
1320 |
1150 |
1310 |
1893 |
|
2000 |
760 |
2345 |
2230 |
2150 |
70 |
5 |
48 |
60 |
1320 |
1150 |
1380 |
2005 |
主要外形尺寸Main external dimensions PN=2.5Mpa
|
DN |
L |
D |
K |
d |
C |
f |
n |
d1 |
H1 |
H2 |
B1 |
B2 |
|
200 |
152 |
360 |
310 |
274 |
30 |
2 |
12 |
26 |
315 |
265 |
235 |
660 |
|
250 |
165 |
420 |
370 |
330 |
32 |
2 |
12 |
30 |
415 |
345 |
265 |
710 |
|
300 |
178 |
485 |
430 |
389 |
34 |
2 |
16 |
30 |
415 |
345 |
290 |
730 |
|
350 |
190 |
555 |
490 |
448 |
38 |
2 |
16 |
33 |
415 |
345 |
305 |
760 |
|
400 |
216 |
620 |
550 |
503 |
40 |
2 |
16 |
36 |
525 |
415 |
345 |
810 |
|
450 |
222 |
670 |
600 |
548 |
46 |
2 |
20 |
36 |
525 |
415 |
375 |
840 |
|
500 |
229 |
730 |
660 |
609 |
48 |
2 |
20 |
36 |
585 |
515 |
430 |
885 |
|
600 |
267 |
845 |
770 |
720 |
50 |
2 |
20 |
39 |
585 |
515 |
515 |
1010 |
|
700 |
292 |
960 |
875 |
820 |
50 |
5 |
24 |
42 |
760 |
645 |
555 |
1050 |
|
800 |
318 |
1085 |
990 |
928 |
54 |
5 |
24 |
48 |
760 |
645 |
605 |
1105 |
|
900 |
330 |
1185 |
1090 |
1028 |
58 |
5 |
28 |
48 |
915 |
805 |
670 |
1160 |
|
1000 |
410 |
1320 |
1210 |
1140 |
58 |
5 |
28 |
55 |
915 |
805 |
755 |
1280 |
|
1100 |
410 |
1425 |
1315 |
1245 |
60 |
5 |
28 |
55 |
915 |
805 |
805 |
1320 |
|
1200 |
470 |
1530 |
1420 |
1350 |
62 |
5 |
32 |
55 |
1150 |
915 |
855 |
1380 |
|
1250 |
470 |
1575 |
1470 |
1400 |
62 |
5 |
32 |
55 |
1150 |
915 |
875 |
1400 |
|
1300 |
530 |
1640 |
1530 |
1450 |
70 |
5 |
32 |
60 |
1150 |
915 |
965 |
1490 |
|
1400 |
530 |
1755 |
1640 |
1560 |
76 |
5 |
36 |
60 |
1150 |
915 |
1070 |
1590 |
|
1500 |
600 |
1865 |
1750 |
1670 |
80 |
5 |
36 |
60 |
1320 |
1150 |
1145 |
1710 |
|
1600 |
600 |
1975 |
1860 |
1780 |
84 |
5 |
40 |
60 |
1320 |
1150 |
1210 |
1795 |
主要外形尺寸Main external dimensions PN=4.0Mpa
|
DN |
L |
D |
K |
d |
C |
f |
n |
d1 |
H1 |
H2 |
B1 |
B2 |
|
200 |
230 |
375 |
320 |
284 |
34 |
2 |
12 |
30 |
415 |
345 |
235 |
660 |
|
250 |
250 |
450 |
385 |
345 |
38 |
2 |
12 |
33 |
415 |
345 |
265 |
710 |
|
300 |
270 |
515 |
450 |
409 |
42 |
2 |
16 |
33 |
525 |
415 |
290 |
730 |
|
350 |
290 |
580 |
510 |
465 |
46 |
2 |
16 |
36 |
525 |
415 |
305 |
760 |
|
400 |
310 |
660 |
585 |
535 |
50 |
2 |
16 |
39 |
585 |
515 |
345 |
810 |
|
450 |
330 |
685 |
610 |
560 |
55 |
2 |
20 |
39 |
585 |
515 |
375 |
840 |
|
500 |
350 |
755 |
670 |
615 |
58 |
2 |
20 |
42 |
760 |
645 |
430 |
885 |
|
600 |
390 |
890 |
795 |
735 |
62 |
2 |
20 |
48 |
760 |
645 |
515 |
1010 |
|
700 |
430 |
995 |
900 |
840 |
64 |
5 |
24 |
48 |
915 |
805 |
555 |
1050 |
|
800 |
470 |
1140 |
1030 |
960 |
70 |
5 |
24 |
56 |
915 |
805 |
605 |
1105 |
|
900 |
510 |
1250 |
1140 |
1070 |
74 |
5 |
28 |
56 |
915 |
805 |
670 |
1160 |
|
1000 |
550 |
1360 |
1250 |
1180 |
78 |
5 |
28 |
56 |
1150 |
915 |
755 |
1280 |
|
1100 |
550 |
1470 |
1360 |
1290 |
80 |
5 |
28 |
56 |
1150 |
915 |
805 |
1320 |
|
1200 |
630 |
1570 |
1460 |
1380 |
84 |
5 |
32 |
62 |
1150 |
915 |
855 |
1380 |
|
1250 |
630 |
1600 |
1490 |
1410 |
84 |
5 |
32 |
62 |
1150 |
915 |
875 |
1400 |
|
1300 |
630 |
1685 |
1575 |
1495 |
86 |
5 |
32 |
62 |
2215/1320 |
1715/1150 |
965 |
1490 |
