蓄能器式0.3S液控快速启闭调节阀(整体式)
产品简介
我公司生产的液控快速启闭调节阀是具有自主知识产权的高科技机电液一体化产品。具有体积小、外形美观、安全可靠、运行寿命长,性能优良、安装使用维护方便等优点。
本系列产品传动部分均为恒力臂的紧凑型齿轮齿条传动机构,并提供成套的电液控制及油源装置,也可利用现场油源直接进行控制,并能按工况要求另外接入OPC、AST及其他保安油源实现多点控制。阀门位置反馈采用LVDT耐高温直行程传感器,调节控制采用高精度的进口比例阀或伺服阀,定位精度达0.5%。执行器油缸尾部设有行缓冲装置,防止快速动作时的缸击及震动,有效保护阀门及设备安全运行。
产品根据工作环境的要求导致配套元件的不同,分为常规快速启闭阀和防爆快速启闭阀;根据紧急快速启闭时储能元件的不同又分为蓄能器式和弹簧式两种不同的型式。
蓄能器式以气囊式蓄能器为紧急关阀动力源;正常工况下,压力油源通过伺服比例阀实施阀门的调节定位控制,并在蓄能器中储备有足够的压力油。弹簧式以压缩弹簧为紧急关阀动力源;正常工况下,压力油源通过伺服比例阀实施阀门的调节定位控制,并压缩弹簧以储备能量。
当系统出现危机工况时,电磁阀动作或控制油源失压,蓄能器中储备的压力油源或压缩弹簧快速释放,控制主阀在0.2~0.8秒钟内实施紧急启闭,实现管路的可靠截止或导通,保护管道主机设备的安全。
常规快速启闭调节阀主要安装于汽轮机抽汽管、连通管及其他高安全等级管路。防爆快速启闭调节阀主要用于化工、冶金、能源管线、生物发电以及高炉煤气余压发电装置(TRT)进气管路等危险管道的流量调节和紧急快关截止,或者在煤矿行业,防瓦斯等危险气体防爆的高安厂所对设备快速关闭或打开。
销售热线:
产品详情
主要标准与基本参数Main criteria and basic parameters
|
制造标准Manufacturing standard |
JB/T 11490 JB/T 8527 |
|
|
结构⻓度Face - to - Face |
GB/T 12221 |
|
|
配管法兰Piping flange |
JB/T 74~90、GB/T 12380、GB/T 9112-9131 |
|
|
压力-温度等级Pressure - temperature rating |
GB/T 9131、HGJ 67、JB/T 74 |
|
|
质量保证Quality assurance |
TS 2710873 |
|
|
试验与检验Test and inspection |
GB/T 13927 |
|
|
公称通径DN |
200~2400 mm |
|
|
公称压力PN |
0.25~10.0Mpa、150~600LB |
|
|
试验压力Ps |
密封Seal |
1.1xPN |
|
强度Intensity |
1.5xPN |
|
|
工作压力Working pressure |
0.8xPN |
|
|
快速启闭时间Fast opening and closing time |
0.2~0.8S |
|
|
流量特性Flow characteristic |
近似等百分比Approximate equal percentage |
|
主要零部件材料Main parts material
|
阀体材料 Body material |
C |
I |
P |
P8 |
P3 |
R |
R8 |
R3 |
|
阀体Body |
WCB |
ZG1Cr5Mo |
ZG12Cr18Ni9 |
CF8(304) |
CF3(304L) |
ZG1Cr18Ni 12Mo2Ti |
CF8M(316) |
CF3M(316L) |
|
蝶板Plate |
WCB |
ZG1Cr5Mo |
ZG12Cr18Ni9 |
CF8(304) |
CF3(304L) |
ZG1Cr18Ni 12Mo2Ti |
CF8M(316) |
CF3M(316L) |
|
压圈 Clamping ring |
WCB |
ZG1Cr5Mo |
ZG12Cr18Ni9 |
CF8(304) |
CF3(304L) |
ZG1Cr18Ni 12Mo2Ti |
CF8M(316) |
CF3M(316L) |
|
阀杆Stem |
20Cr13 |
25Cr2Mo1V |
12Cr18Ni9 |
06Cr19Ni9 |
022Cr19Ni10 |
12Cr18Ni 12Mo2Ti |
06Cr17Ni 12Mo2 |
022Cr17Ni 14Mo2 |
|
阀座Seat |
堆焊 Surfacing STL |
堆焊 Surfacing D507 |
堆焊 Surfacing STL |
堆焊 Surfacing STL |
堆焊 Surfacing STL |
堆焊 Surfacing STL |
堆焊 Surfacing STL |
堆焊 Surfacing STL |
|
适用介质Applicable medium |
水、蒸汽、气体、油品等 Water, steam, gas, oil, etc |
硝酸等腐蚀性介质 Corrosive medium such as nitric acid |
强氧化性介质 Strong oxidizing medium |
醋酸等腐蚀性介质 Acetic acid and other corrosive media |
尿素等腐蚀性介质 Corrosive media such as urea |
|||
|
适用温度(°C) Applicable temperature |
-29~425 |
-29~550 |
-29~600 |
|||||
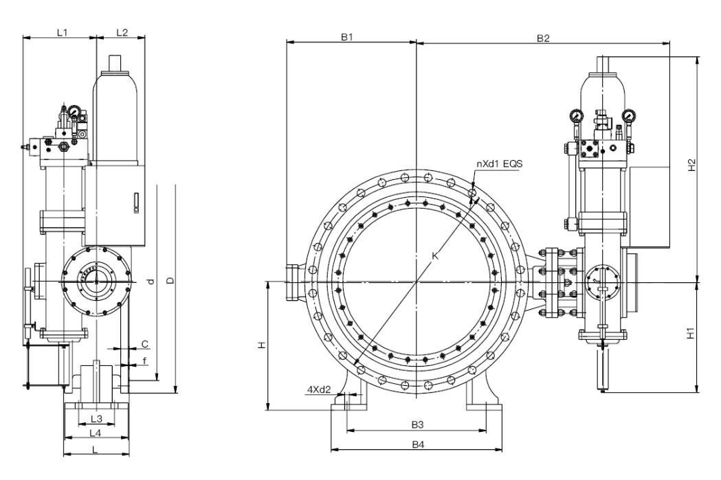
蓄能器式0.3S液控快速启闭调节阀(整体式)主要外形尺寸
Accumulator-type 0.3s hydraulic quick-acting control valve (integral) Main dimensions PN=0.6Mpa
|
DN |
L |
D |
K |
d |
C |
f |
n |
d1 |
d2 |
L1 |
L2 |
L3 |
L4 |
H |
H1 |
H2 |
B1 |
B2 |
B3 |
B4 |
|
500 |
229 |
645 |
600 |
568 |
26 |
2 |
20 |
22 |
32 |
305 |
145 |
150 |
220 |
400 |
250 |
425 |
430 |
885 |
400 |
500 |
|
600 |
267 |
755 |
705 |
667 |
26 |
2 |
20 |
26 |
32 |
305 |
145 |
150 |
220 |
460 |
250 |
425 |
515 |
940 |
450 |
550 |
|
700 |
292 |
860 |
810 |
772 |
26 |
5 |
24 |
26 |
32 |
305 |
155 |
180 |
290 |
520 |
285 |
495 |
555 |
1050 |
570 |
700 |
|
800 |
318 |
975 |
920 |
878 |
26 |
5 |
24 |
30 |
32 |
305 |
155 |
180 |
310 |
580 |
285 |
495 |
605 |
1105 |
650 |
780 |
|
900 |
330 |
1075 |
1020 |
978 |
26 |
5 |
24 |
30 |
36 |
345 |
155 |
180 |
300 |
640 |
300 |
660 |
670 |
1210 |
700 |
860 |
|
1000 |
410 |
1175 |
1120 |
1078 |
26 |
5 |
28 |
30 |
36 |
345 |
155 |
200 |
360 |
690 |
300 |
660 |
755 |
1280 |
740 |
900 |
|
1200 |
470 |
1405 |
1340 |
1295 |
28 |
5 |
32 |
33 |
36 |
430 |
155 |
200 |
360 |
810 |
415 |
835 |
855 |
1380 |
790 |
950 |
|
1300 |
530 |
1520 |
1450 |
1405 |
32 |
5 |
32 |
33 |
42 |
430 |
155 |
260 |
400 |
860 |
415 |
835 |
965 |
1490 |
820 |
960 |
|
1400 |
530 |
1630 |
1560 |
1510 |
32 |
5 |
36 |
36 |
42 |
430 |
155 |
260 |
400 |
940 |
415 |
835 |
1070 |
1540 |
840 |
1000 |
|
1500 |
600 |
1730 |
1660 |
1610 |
34 |
5 |
36 |
36 |
42 |
480 |
240 |
260 |
400 |
1000 |
625 |
925 |
1145 |
1710 |
900 |
1050 |
|
1600 |
600 |
1830 |
1760 |
1710 |
34 |
5 |
40 |
36 |
42 |
480 |
240 |
270 |
400 |
1080 |
625 |
925 |
1210 |
1795 |
1100 |
1300 |
|
1750 |
670 |
1995 |
1920 |
1868 |
36 |
5 |
44 |
39 |
42 |
480 |
240 |
300 |
500 |
1130 |
625 |
925 |
1275 |
1865 |
1350 |
1500 |
|
1800 |
670 |
2045 |
1970 |
1918 |
36 |
5 |
44 |
39 |
42 |
480 |
240 |
300 |
500 |
1130 |
625 |
925 |
1290 |
1893 |
1370 |
1570 |
|
2000 |
760 |
2265 |
2180 |
2125 |
38 |
5 |
48 |
42 |
42 |
520 |
320 |
360 |
560 |
1250 |
830 |
1275 |
1380 |
2005 |
1400 |
1650 |
|
2200 |
590 |
2475 |
2390 |
2335 |
42 |
6 |
52 |
42 |
42 |
520 |
320 |
300 |
450 |
1320 |
830 |
1275 |
1480 |
2080 |
1600 |
1880 |
|
2400 |
650 |
2685 |
2600 |
2545 |
45 |
6 |
56 |
42 |
48 |
520 |
320 |
350 |
500 |
1440 |
830 |
1275 |
1590 |
2150 |
1740 |
2020 |
蓄能器式0.3S液控快速启闭调节阀(整体式)主要外形尺寸
Accumulator-type 0.3s hydraulic quick-acting control valve (integral) Main dimensions PN=1.0Mpa
|
DN |
L |
D |
K |
d |
C |
f |
n |
d1 |
d2 |
L1 |
L2 |
L3 |
L4 |
H |
H1 |
H2 |
B1 |
B2 |
B3 |
B4 |
|
500 |
229 |
670 |
620 |
582 |
28 |
2 |
20 |
26 |
32 |
305 |
145 |
150 |
220 |
400 |
285 |
495 |
430 |
885 |
400 |
500 |
|
600 |
267 |
780 |
725 |
682 |
34 |
2 |
20 |
30 |
32 |
305 |
145 |
150 |
220 |
460 |
285 |
495 |
515 |
1010 |
450 |
550 |
|
700 |
292 |
895 |
840 |
794 |
34 |
5 |
24 |
30 |
32 |
305 |
145 |
180 |
290 |
520 |
285 |
495 |
555 |
1050 |
570 |
700 |
|
800 |
318 |
1015 |
950 |
901 |
36 |
5 |
24 |
33 |
32 |
345 |
155 |
180 |
310 |
580 |
300 |
660 |
605 |
1105 |
650 |
780 |
|
900 |
330 |
1115 |
1050 |
1001 |
38 |
5 |
28 |
33 |
36 |
345 |
155 |
180 |
300 |
640 |
300 |
660 |
670 |
1160 |
700 |
860 |
|
1000 |
410 |
1230 |
1160 |
1112 |
38 |
5 |
28 |
36 |
36 |
430 |
155 |
200 |
360 |
690 |
415 |
835 |
755 |
1280 |
740 |
900 |
|
1100 |
410 |
1340 |
1270 |
1222 |
42 |
5 |
28 |
36 |
36 |
430 |
155 |
200 |
360 |
750 |
415 |
835 |
805 |
1320 |
760 |
920 |
|
1200 |
470 |
1455 |
1380 |
1328 |
44 |
5 |
32 |
39 |
36 |
430 |
155 |
200 |
360 |
810 |
415 |
835 |
855 |
1380 |
790 |
950 |
|
1250 |
470 |
1505 |
1430 |
1378 |
44 |
5 |
32 |
39 |
36 |
430 |
155 |
200 |
360 |
810 |
415 |
835 |
875 |
1400 |
790 |
950 |
|
1300 |
530 |
1575 |
1490 |
1425 |
44 |
5 |
32 |
42 |
42 |
430 |
155 |
260 |
400 |
860 |
415 |
835 |
965 |
1490 |
820 |
960 |
|
1400 |
530 |
1675 |
1590 |
1530 |
48 |
5 |
36 |
42 |
42 |
480 |
240 |
260 |
400 |
940 |
620 |
930 |
1070 |
1590 |
840 |
1000 |
|
1500 |
600 |
1785 |
1700 |
1640 |
48 |
5 |
36 |
48 |
42 |
480 |
240 |
260 |
400 |
1000 |
620 |
930 |
1145 |
1710 |
900 |
1050 |
|
1600 |
600 |
1915 |
1820 |
1750 |
52 |
5 |
40 |
48 |
42 |
480 |
240 |
270 |
400 |
1080 |
620 |
930 |
1210 |
1795 |
1100 |
1300 |
|
1750 |
670 |
2065 |
1970 |
1900 |
54 |
5 |
44 |
48 |
42 |
480 |
240 |
300 |
500 |
1130 |
620 |
930 |
1275 |
1865 |
1350 |
1500 |
|
1800 |
670 |
2115 |
2020 |
1950 |
56 |
5 |
44 |
48 |
42 |
480 |
240 |
300 |
500 |
1130 |
620 |
930 |
1290 |
1893 |
1370 |
1570 |
|
2000 |
760 |
2325 |
2230 |
2150 |
60 |
5 |
48 |
48 |
42 |
520 |
320 |
360 |
560 |
1250 |
830 |
1275 |
1380 |
2005 |
1400 |
1650 |
|
2200 |
590 |
2550 |
2440 |
2370 |
60 |
6 |
52 |
56 |
42 |
520 |
320 |
300 |
450 |
1320 |
830 |
1275 |
1480 |
2080 |
1600 |
1880 |
蓄能器式0.3S液控快速启闭调节阀(整体式)主要外形尺寸
Accumulator-type 0.3s hydraulic quick-acting control valve (integral) Main dimensions PN=1.6Mpa
|
DN |
L |
D |
K |
d |
C |
f |
n |
d1 |
d2 |
L1 |
L2 |
L3 |
L4 |
H |
H1 |
H2 |
B1 |
B2 |
B3 |
B4 |
|
500 |
229 |
715 |
650 |
609 |
38 |
2 |
20 |
33 |
32 |
305 |
145 |
150 |
220 |
400 |
250 |
425 |
430 |
885 |
400 |
500 |
|
600 |
267 |
840 |
770 |
720 |
38 |
2 |
20 |
36 |
32 |
305 |
145 |
150 |
220 |
460 |
285 |
495 |
515 |
1010 |
450 |
550 |
|
700 |
292 |
910 |
840 |
794 |
40 |
5 |
24 |
36 |
32 |
345 |
155 |
180 |
300 |
520 |
300 |
660 |
555 |
1050 |
570 |
700 |
|
800 |
318 |
1025 |
950 |
901 |
42 |
5 |
24 |
39 |
32 |
345 |
155 |
180 |
300 |
580 |
300 |
660 |
605 |
1105 |
650 |
780 |
|
900 |
330 |
1125 |
1050 |
1001 |
44 |
5 |
28 |
39 |
36 |
430 |
155 |
180 |
300 |
640 |
415 |
835 |
670 |
1160 |
700 |
860 |
|
1000 |
410 |
1255 |
1170 |
1112 |
46 |
5 |
28 |
42 |
36 |
430 |
155 |
200 |
360 |
690 |
415 |
835 |
755 |
1280 |
740 |
900 |
|
1100 |
410 |
1370 |
1280 |
1222 |
46 |
5 |
28 |
42 |
36 |
430 |
155 |
200 |
360 |
750 |
415 |
835 |
805 |
1320 |
760 |
920 |
|
1200 |
470 |
1485 |
1390 |
1328 |
52 |
5 |
32 |
48 |
36 |
480 |
240 |
200 |
360 |
810 |
625 |
925 |
855 |
1380 |
790 |
950 |
|
1250 |
470 |
1535 |
1440 |
1378 |
52 |
5 |
32 |
48 |
36 |
480 |
240 |
200 |
360 |
810 |
625 |
925 |
875 |
1400 |
790 |
950 |
|
1300 |
530 |
1585 |
1490 |
1425 |
54 |
5 |
32 |
48 |
42 |
480 |
240 |
260 |
400 |
860 |
625 |
925 |
965 |
1490 |
820 |
960 |
|
1400 |
530 |
1685 |
1590 |
1530 |
58 |
5 |
36 |
48 |
42 |
480 |
240 |
260 |
400 |
940 |
630 |
1270 |
1070 |
1590 |
840 |
1000 |
|
1500 |
600 |
1820 |
1710 |
1640 |
60 |
5 |
36 |
48 |
42 |
520 |
320 |
260 |
400 |
1000 |
630 |
1270 |
1145 |
1710 |
900 |
1050 |
|
1600 |
600 |
1930 |
1820 |
1750 |
64 |
5 |
40 |
55 |
42 |
520 |
320 |
270 |
400 |
1080 |
630 |
1270 |
1210 |
1795 |
1100 |
1300 |
|
1750 |
670 |
2080 |
1970 |
1900 |
66 |
5 |
44 |
55 |
42 |
520 |
320 |
300 |
500 |
1130 |
630 |
1270 |
1275 |
1865 |
1350 |
1500 |
|
1800 |
670 |
2130 |
2020 |
1950 |
68 |
5 |
44 |
55 |
42 |
520 |
320 |
300 |
500 |
1130 |
630 |
1270 |
1290 |
1893 |
1370 |
1570 |
|
2000 |
760 |
2345 |
2230 |
2150 |
70 |
5 |
48 |
60 |
42 |
520 |
320 |
360 |
560 |
1250 |
630 |
1275 |
1380 |
2005 |
1400 |
1650 |
蓄能器式0.3S液控快速启闭调节阀(整体式)主要外形尺寸
Accumulator-type 0.3s hydraulic quick-acting control valve (integral) Main dimensions PN=2.5Mpa
|
DN |
L |
D |
K |
d |
C |
f |
n |
d1 |
d2 |
L1 |
L2 |
L3 |
L4 |
H |
H1 |
H2 |
B1 |
B2 |
B3 |
B4 |
|
500 |
229 |
730 |
660 |
609 |
48 |
2 |
20 |
36 |
32 |
305 |
145 |
150 |
220 |
400 |
250 |
425 |
430 |
885 |
400 |
500 |
|
600 |
267 |
845 |
770 |
720 |
50 |
2 |
20 |
39 |
32 |
305 |
145 |
150 |
220 |
460 |
285 |
495 |
515 |
1010 |
450 |
550 |
|
700 |
292 |
960 |
875 |
820 |
50 |
5 |
24 |
42 |
32 |
345 |
155 |
180 |
300 |
520 |
300 |
660 |
555 |
1050 |
570 |
700 |
|
800 |
318 |
1085 |
990 |
928 |
54 |
5 |
24 |
48 |
32 |
345 |
155 |
180 |
300 |
580 |
300 |
660 |
605 |
1105 |
650 |
780 |
|
900 |
330 |
1185 |
1090 |
1028 |
58 |
5 |
28 |
48 |
36 |
430 |
155 |
180 |
300 |
640 |
415 |
835 |
670 |
1160 |
700 |
860 |
|
1000 |
410 |
1320 |
1210 |
1140 |
58 |
5 |
28 |
55 |
36 |
430 |
155 |
200 |
360 |
690 |
415 |
835 |
755 |
1280 |
740 |
900 |
|
1100 |
410 |
1425 |
1315 |
1245 |
60 |
5 |
28 |
55 |
36 |
430 |
155 |
200 |
360 |
750 |
415 |
835 |
805 |
1320 |
760 |
920 |
|
1200 |
470 |
1530 |
1420 |
1350 |
62 |
5 |
32 |
55 |
36 |
480 |
240 |
200 |
360 |
810 |
625 |
925 |
855 |
1380 |
790 |
950 |
|
1250 |
470 |
1575 |
1470 |
1400 |
62 |
5 |
32 |
55 |
36 |
480 |
240 |
200 |
360 |
810 |
625 |
925 |
875 |
1400 |
790 |
950 |
|
1300 |
530 |
1640 |
1530 |
1450 |
70 |
5 |
32 |
60 |
42 |
480 |
240 |
260 |
400 |
860 |
625 |
925 |
965 |
1490 |
820 |
960 |
|
1400 |
530 |
1755 |
1640 |
1560 |
76 |
5 |
36 |
60 |
42 |
480 |
240 |
260 |
400 |
940 |
630 |
1270 |
1070 |
1590 |
840 |
1000 |
|
1500 |
600 |
1865 |
1750 |
1670 |
80 |
5 |
36 |
60 |
42 |
520 |
320 |
260 |
400 |
1000 |
630 |
1270 |
1145 |
1710 |
900 |
1050 |
|
1600 |
600 |
1975 |
1860 |
1780 |
84 |
5 |
40 |
60 |
42 |
520 |
320 |
270 |
400 |
1080 |
630 |
1270 |
1210 |
1795 |
1100 |
1300 |
蓄能器式0.3S液控快速启闭调节阀(整体式)主要外形尺寸
Accumulator-type 0.3s hydraulic quick-acting control valve (integral) Main dimensions PN=4.0Mpa
|
DN |
L |
D |
K |
d |
C |
f |
n |
d1 |
d2 |
L1 |
L2 |
L3 |
L4 |
H |
H1 |
H2 |
B1 |
B2 |
B3 |
B4 |
|
500 |
350 |
755 |
670 |
615 |
58 |
2 |
20 |
42 |
32 |
305 |
145 |
150 |
220 |
400 |
250 |
425 |
430 |
885 |
400 |
500 |
|
600 |
390 |
890 |
795 |
735 |
62 |
2 |
20 |
48 |
32 |
305 |
145 |
150 |
220 |
460 |
285 |
495 |
515 |
1010 |
450 |
550 |
|
700 |
430 |
995 |
900 |
840 |
64 |
5 |
24 |
48 |
32 |
345 |
155 |
180 |
300 |
520 |
300 |
660 |
555 |
1050 |
570 |
700 |
|
800 |
470 |
1140 |
1030 |
960 |
70 |
5 |
24 |
56 |
32 |
345 |
155 |
180 |
300 |
580 |
300 |
660 |
605 |
1105 |
650 |
780 |
|
900 |
510 |
1250 |
1140 |
1070 |
74 |
5 |
28 |
56 |
36 |
430 |
155 |
180 |
300 |
640 |
415 |
835 |
670 |
1160 |
700 |
860 |
|
1000 |
550 |
1360 |
1250 |
1180 |
78 |
5 |
28 |
56 |
36 |
430 |
155 |
200 |
360 |
690 |
415 |
835 |
755 |
1280 |
740 |
900 |
|
1100 |
550 |
1470 |
1360 |
1290 |
80 |
5 |
28 |
56 |
36 |
430 |
155 |
200 |
360 |
750 |
415 |
835 |
805 |
1320 |
760 |
920 |
|
1200 |
630 |
1570 |
1460 |
1380 |
84 |
5 |
32 |
62 |
36 |
480 |
240 |
200 |
360 |
810 |
625 |
925 |
855 |
1380 |
790 |
950 |
|
1250 |
630 |
1600 |
1490 |
1410 |
84 |
5 |
32 |
62 |
36 |
480 |
240 |
200 |
360 |
810 |
625 |
925 |
875 |
1400 |
790 |
950 |
|
1300 |
630 |
1685 |
1575 |
1495 |
86 |
5 |
32 |
62 |
42 |
480 |
240 |
260 |
400 |
860 |
625 |
925 |
965 |
1490 |
820 |
960 |
