弹簧式0.3S液控快速启闭阀
产品简介
我公司生产的液控快速启闭阀是具有自主知识产权的高科技机电液一体化产品。具有体积小、外形美观、安全可靠、运行寿命长,性能优良、安装使用维护方便等优点。
本系列产品传动部分均为恒力臂的紧凑型齿轮齿条传动机构,并提供成套的电液控制及油源装置,也可利用现场油源直接进行控制,并能按工况要求另外接入OPC、AST及其他保安油源实现多点控制。并在执行器油缸尾部设有行缓冲装置,防止快速动作时的缸击及震动,有效保护阀门及设备安全运行。产品根据工作环境的要求导致配套元件的不同,分为常规快速启闭阀和防爆快速启闭阀;根据紧急快速启闭时储能元件的不同又分为蓄能器式和弹簧式两种不同的型式。
销售热线:
产品详情
主要标准与基本参数Main criteria and basic parameters
|
制造标准Manufacturing standard |
JB/T 11490、JB/T 8527 |
|
|
结构⻓度Face - to -Face |
GB/T 12221 |
|
|
配管法兰Piping flange |
JB/T 74~90、GB/T 12380、GB/T 9112-9131 |
|
|
压力-温度等级Pressure - temperature rating |
GB/T 9131、HGJ 67、JB/T 74 |
|
|
质量保证Quality assurance |
TS 2710873 |
|
|
试验与检验Test and inspection |
GB/T 13927 |
|
|
公称通径DN |
200~2400 mm |
|
|
公称压力PN |
0.25~10.0Mpa、150~600LB |
|
|
试验压力 Test pressure |
密封Seal |
1.1×PN |
|
强度Intensity |
1.5×PN |
|
|
工作压力Working pressure |
0.8×PN |
|
|
快速启闭时间Fast opening and closing time |
0.2~0.8S |
|
主要零部件材料Main parts material
|
阀体材料 |
C |
I |
P |
P8 |
P3 |
R |
R8 |
R3 |
|
阀体Body |
WCB |
ZG1Cr5Mo |
ZG12Cr |
CF8(304) |
CF3(304L) |
ZG1Cr18Ni |
CF8M(316) |
CF3M(316L) |
|
蝶板Disc |
WCB |
ZG1Cr5Mo |
ZG12Cr |
CF8(304) |
CF3(304L) |
ZG1Cr18Ni |
CF8M(316) |
CF3M(316L) |
|
压圈 |
WCB |
ZG1Cr5Mo |
ZG12Cr |
CF8(304) |
CF3(304L) |
ZG1Cr18Ni |
CF8M(316) |
CF3M(316L) |
|
阀杆Stem |
20Cr13 |
25Cr2Mo1V |
12Cr18Ni9 |
06Cr19Ni9 |
022Cr 19Ni10 |
12Cr18Ni 12Mo2Ti |
06Cr17Ni 12Mo2 |
022Cr17Ni 14Mo2 |
|
阀座Seat |
堆焊 |
堆焊Surfacing |
堆焊Surfacing |
堆焊 |
堆焊Surfacing |
堆焊Surfacing STL |
堆焊Surfacing |
堆焊Surfacing |
|
适用介质 |
水、蒸汽、气体、油品等 |
硝酸等腐蚀性介质 |
强氧化性介质 |
醋酸等腐蚀性介质 corrosive media |
尿素等腐蚀性
介质 |
|||
|
适用温度(°C) |
-29~425 |
-29~550 |
-29~600 |
|||||
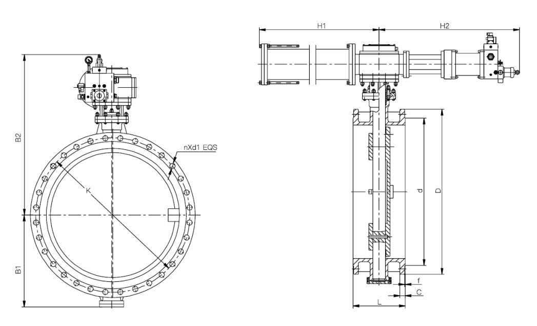
主要外形尺⼨ Main external dimensions PN=0.6Mpa
|
DN |
L |
D |
K |
d |
C |
f |
n |
d1 |
H1 |
H2 |
B1 |
B2 |
|
200 |
152 |
320 |
280 |
254 |
22 |
2 |
8 |
18 |
645 |
415 |
235 |
660 |
|
250 |
165 |
375 |
335 |
309 |
24 |
2 |
12 |
22 |
645 |
415 |
265 |
710 |
|
300 |
178 |
440 |
395 |
363 |
24 |
2 |
12 |
22 |
645 |
415 |
290 |
730 |
|
350 |
190 |
490 |
445 |
413 |
24 |
2 |
12 |
22 |
725 |
525 |
305 |
760 |
|
400 |
216 |
540 |
495 |
463 |
24 |
2 |
16 |
22 |
725 |
525 |
345 |
810 |
|
450 |
222 |
595 |
550 |
518 |
24 |
2 |
16 |
22 |
725 |
525 |
375 |
840 |
|
500 |
229 |
645 |
600 |
568 |
26 |
2 |
20 |
22 |
985 |
765 |
430 |
885 |
|
600 |
267 |
755 |
705 |
667 |
26 |
2 |
20 |
26 |
985 |
765 |
515 |
940 |
|
700 |
292 |
860 |
810 |
772 |
26 |
5 |
24 |
26 |
1280 |
845 |
555 |
1050 |
|
800 |
318 |
975 |
920 |
878 |
26 |
5 |
24 |
30 |
1280 |
845 |
605 |
1105 |
|
900 |
330 |
1075 |
1020 |
978 |
26 |
5 |
24 |
30 |
1450 |
980 |
670 |
1210 |
|
1000 |
410 |
1175 |
1120 |
1078 |
26 |
5 |
28 |
30 |
1450 |
980 |
755 |
1280 |
|
1200 |
470 |
1405 |
1340 |
1295 |
28 |
5 |
32 |
33 |
1620 |
1320 |
855 |
1380 |
|
1300 |
530 |
1520 |
1450 |
1405 |
32 |
5 |
32 |
33 |
1620 |
1320 |
965 |
1490 |
|
1400 |
530 |
1630 |
1560 |
1510 |
32 |
5 |
36 |
36 |
1620 |
1320 |
1070 |
1540 |
|
1500 |
600 |
1730 |
1660 |
1610 |
34 |
5 |
36 |
36 |
1820 |
1515 |
1145 |
1710 |
|
1600 |
600 |
1830 |
1760 |
1710 |
34 |
5 |
40 |
36 |
1820 |
1515 |
1210 |
1795 |
|
1750 |
670 |
1995 |
1920 |
1868 |
36 |
5 |
44 |
39 |
1820 |
1515 |
1265 |
1865 |
|
1800 |
670 |
2045 |
1970 |
1918 |
36 |
5 |
44 |
39 |
1820 |
1515 |
1310 |
1893 |
|
2000 |
760 |
2265 |
2180 |
2125 |
38 |
5 |
48 |
42 |
2215 |
1715 |
1380 |
2005 |
|
2200 |
590 |
2475 |
2390 |
2335 |
42 |
6 |
52 |
42 |
2215 |
1715 |
1480 |
2080 |
|
2400 |
650 |
2685 |
2600 |
2545 |
45 |
6 |
56 |
42 |
2215 |
1715 |
1590 |
2150 |
主要外形尺⼨ Main external dimensions PN=1.0Mpa
|
DN |
L |
D |
K |
d |
C |
f |
n |
d1 |
H1 |
H2 |
B1 |
B2 |
|
200 |
152 |
340 |
295 |
266 |
24 |
2 |
8 |
22 |
645 |
415 |
235 |
660 |
|
250 |
165 |
395 |
350 |
319 |
26 |
2 |
12 |
22 |
645 |
415 |
265 |
710 |
|
300 |
178 |
445 |
400 |
370 |
26 |
2 |
12 |
22 |
645 |
415 |
290 |
730 |
|
350 |
190 |
505 |
460 |
429 |
26 |
2 |
16 |
22 |
725 |
525 |
305 |
760 |
|
400 |
216 |
565 |
515 |
480 |
26 |
2 |
16 |
26 |
725 |
525 |
345 |
810 |
|
450 |
222 |
615 |
565 |
530 |
28 |
2 |
20 |
26 |
725 |
525 |
375 |
840 |
|
500 |
229 |
670 |
620 |
582 |
28 |
2 |
20 |
26 |
985 |
765 |
430 |
885 |
|
600 |
267 |
780 |
725 |
682 |
34 |
2 |
20 |
30 |
985 |
765 |
515 |
1010 |
|
700 |
292 |
895 |
840 |
794 |
34 |
5 |
24 |
30 |
1280 |
845 |
555 |
1050 |
|
800 |
318 |
1015 |
950 |
901 |
36 |
5 |
24 |
33 |
1280 |
845 |
605 |
1105 |
|
900 |
330 |
1115 |
1050 |
1001 |
38 |
5 |
28 |
33 |
1450 |
980 |
670 |
1160 |
|
1000 |
410 |
1230 |
1160 |
1112 |
38 |
5 |
28 |
36 |
1450 |
980 |
755 |
1280 |
|
1100 |
410 |
1340 |
1270 |
1222 |
42 |
5 |
28 |
36 |
1450 |
980 |
805 |
1320 |
|
1200 |
470 |
1455 |
1380 |
1328 |
44 |
5 |
32 |
39 |
1620 |
1320 |
855 |
1380 |
|
1250 |
470 |
1505 |
1430 |
1378 |
44 |
5 |
32 |
39 |
1620 |
1320 |
875 |
1400 |
|
1300 |
530 |
1575 |
1490 |
1425 |
44 |
5 |
32 |
42 |
1620 |
1320 |
965 |
1490 |
|
1400 |
530 |
1675 |
1590 |
1530 |
48 |
5 |
36 |
42 |
1820 |
1515 |
1070 |
1590 |
|
1500 |
600 |
1785 |
1700 |
1640 |
48 |
5 |
36 |
48 |
1820 |
1515 |
1145 |
1710 |
|
1600 |
600 |
1915 |
1820 |
1750 |
52 |
5 |
40 |
48 |
1820 |
1515 |
1210 |
1795 |
|
1750 |
670 |
2065 |
1970 |
1900 |
54 |
5 |
44 |
48 |
1820 |
1515 |
1265 |
1865 |
|
1800 |
670 |
2115 |
2020 |
1950 |
56 |
5 |
44 |
48 |
2215 |
1715 |
1310 |
1893 |
|
2000 |
760 |
2325 |
2230 |
2150 |
60 |
5 |
48 |
48 |
2215 |
1715 |
1380 |
2005 |
|
2200 |
590 |
2550 |
2440 |
2370 |
60 |
6 |
52 |
56 |
2215 |
1715 |
1480 |
2080 |
主要外形尺⼨ Main external dimensions PN=1.6Mpa
|
0 |
L |
D |
K |
d |
C |
f |
n |
d1 |
H1 |
H2 |
B1 |
B2 |
|
200 |
152 |
340 |
295 |
266 |
24 |
2 |
12 |
22 |
645 |
415 |
235 |
660 |
|
250 |
165 |
405 |
355 |
319 |
26 |
2 |
12 |
26 |
645 |
415 |
265 |
710 |
|
300 |
178 |
460 |
410 |
370 |
28 |
2 |
12 |
26 |
645 |
415 |
290 |
730 |
|
350 |
190 |
520 |
470 |
429 |
30 |
2 |
16 |
26 |
725 |
525 |
305 |
760 |
|
400 |
216 |
580 |
525 |
480 |
32 |
2 |
16 |
30 |
725 |
525 |
345 |
810 |
|
450 |
222 |
640 |
585 |
548 |
34 |
2 |
20 |
30 |
725 |
525 |
375 |
840 |
|
500 |
229 |
715 |
650 |
609 |
38 |
2 |
20 |
33 |
985 |
765 |
430 |
885 |
|
600 |
267 |
840 |
770 |
720 |
38 |
2 |
20 |
36 |
985 |
765 |
515 |
1010 |
|
700 |
292 |
910 |
840 |
794 |
40 |
5 |
24 |
36 |
1280 |
845 |
555 |
1050 |
|
800 |
318 |
1025 |
950 |
901 |
42 |
5 |
24 |
39 |
1280 |
845 |
605 |
1105 |
|
900 |
330 |
1125 |
1050 |
1001 |
44 |
5 |
28 |
39 |
1450 |
980 |
670 |
1160 |
|
1000 |
410 |
1255 |
1170 |
1112 |
46 |
5 |
28 |
42 |
1450 |
980 |
755 |
1280 |
|
1100 |
410 |
1370 |
1280 |
1222 |
46 |
5 |
28 |
42 |
1620 |
1320 |
805 |
1320 |
|
1200 |
470 |
1485 |
1390 |
1328 |
52 |
5 |
32 |
48 |
1620 |
1320 |
855 |
1380 |
|
1250 |
470 |
1535 |
1440 |
1378 |
52 |
5 |
32 |
48 |
1620 |
1320 |
875 |
1400 |
|
1300 |
530 |
1585 |
1490 |
1425 |
54 |
5 |
32 |
48 |
1820 |
1515 |
965 |
1490 |
|
1400 |
530 |
1685 |
1590 |
1530 |
58 |
5 |
36 |
48 |
1820 |
1515 |
1070 |
1590 |
|
1500 |
600 |
1820 |
1710 |
1640 |
60 |
5 |
36 |
48 |
1820 |
1515 |
1145 |
1710 |
|
1600 |
600 |
1930 |
1820 |
1750 |
64 |
5 |
40 |
55 |
1820 |
1515 |
1210 |
1795 |
|
1750 |
670 |
2080 |
1970 |
1900 |
66 |
5 |
44 |
55 |
2215 |
1715 |
1265 |
1865 |
|
1800 |
670 |
2130 |
2020 |
1950 |
68 |
5 |
44 |
55 |
2215 |
1715 |
1310 |
1893 |
|
2000 |
760 |
2345 |
2230 |
2150 |
70 |
5 |
48 |
60 |
2215 |
1715 |
1380 |
2005 |
主要外形尺⼨ Main external dimensions PN=2.5Mpa
|
DN |
L |
D |
K |
d |
C |
f |
n |
d1 |
H1 |
H2 |
B1 |
B2 |
|
200 |
152 |
360 |
310 |
274 |
30 |
2 |
12 |
26 |
645 |
415 |
235 |
660 |
|
250 |
165 |
420 |
370 |
330 |
32 |
2 |
12 |
30 |
725 |
525 |
265 |
710 |
|
300 |
178 |
485 |
430 |
389 |
34 |
2 |
16 |
30 |
725 |
525 |
290 |
730 |
|
350 |
190 |
555 |
490 |
448 |
38 |
2 |
16 |
33 |
725 |
525 |
305 |
760 |
|
400 |
216 |
620 |
550 |
503 |
40 |
2 |
16 |
36 |
985 |
765 |
345 |
810 |
|
450 |
222 |
670 |
600 |
548 |
46 |
2 |
20 |
36 |
985 |
765 |
375 |
840 |
|
500 |
229 |
730 |
660 |
609 |
48 |
2 |
20 |
36 |
1280 |
845 |
430 |
885 |
|
600 |
267 |
845 |
770 |
720 |
50 |
2 |
20 |
39 |
1280 |
845 |
515 |
1010 |
|
700 |
292 |
960 |
875 |
820 |
50 |
5 |
24 |
42 |
1450 |
980 |
555 |
1050 |
|
800 |
318 |
1085 |
990 |
928 |
54 |
5 |
24 |
48 |
1450 |
980 |
605 |
1105 |
|
900 |
330 |
1185 |
1090 |
1028 |
58 |
5 |
28 |
48 |
1620 |
1320 |
670 |
1160 |
|
1000 |
410 |
1320 |
1210 |
1140 |
58 |
5 |
28 |
55 |
1620 |
1320 |
755 |
1280 |
|
1100 |
410 |
1425 |
1315 |
1245 |
60 |
5 |
28 |
55 |
1620 |
1320 |
805 |
1320 |
|
1200 |
470 |
1530 |
1420 |
1350 |
62 |
5 |
32 |
55 |
1820 |
1515 |
855 |
1380 |
|
1250 |
470 |
1575 |
1470 |
1400 |
62 |
5 |
32 |
55 |
1820 |
1515 |
875 |
1400 |
|
1300 |
530 |
1640 |
1530 |
1450 |
70 |
5 |
32 |
60 |
1820 |
1515 |
965 |
1490 |
|
1400 |
530 |
1755 |
1640 |
1560 |
76 |
5 |
36 |
60 |
1820 |
1515 |
1070 |
1590 |
|
1500 |
600 |
1865 |
1750 |
1670 |
80 |
5 |
36 |
60 |
2215 |
1715 |
1145 |
1710 |
|
1600 |
600 |
1975 |
1860 |
1780 |
84 |
5 |
40 |
60 |
2215 |
1715 |
1210 |
1795 |
主要外形尺⼨ Main external dimensions PN=2.5Mpa
|
DN |
L |
D |
K |
d |
C |
f |
n |
d1 |
H1 |
H2 |
B1 |
B2 |
|
200 |
230 |
375 |
320 |
284 |
34 |
2 |
12 |
30 |
725 |
525 |
235 |
660 |
|
250 |
250 |
450 |
385 |
345 |
38 |
2 |
12 |
33 |
725 |
525 |
265 |
710 |
|
300 |
270 |
515 |
450 |
409 |
42 |
2 |
16 |
33 |
985 |
765 |
290 |
730 |
|
350 |
290 |
580 |
510 |
465 |
46 |
2 |
16 |
36 |
985 |
765 |
305 |
760 |
|
400 |
310 |
660 |
585 |
535 |
50 |
2 |
16 |
39 |
1280 |
845 |
345 |
810 |
|
450 |
330 |
685 |
610 |
560 |
55 |
2 |
20 |
39 |
1280 |
845 |
375 |
840 |
|
500 |
350 |
755 |
670 |
615 |
58 |
2 |
20 |
42 |
1450 |
980 |
430 |
885 |
|
600 |
390 |
890 |
795 |
735 |
62 |
2 |
20 |
48 |
1450 |
980 |
515 |
1010 |
|
700 |
430 |
995 |
900 |
840 |
64 |
5 |
24 |
48 |
1620 |
1320 |
555 |
1050 |
|
800 |
470 |
1140 |
1030 |
960 |
70 |
5 |
24 |
56 |
1620 |
1320 |
605 |
1105 |
|
900 |
510 |
1250 |
1140 |
1070 |
74 |
5 |
28 |
56 |
1620 |
1320 |
670 |
1160 |
|
1000 |
550 |
1360 |
1250 |
1180 |
78 |
5 |
28 |
56 |
1820 |
1515 |
755 |
1280 |
|
1100 |
550 |
1470 |
1360 |
1290 |
80 |
5 |
28 |
56 |
1820 |
1515 |
805 |
1320 |
|
1200 |
630 |
1570 |
1460 |
1380 |
84 |
5 |
32 |
62 |
1820 |
1515 |
855 |
1380 |
|
1250 |
630 |
1600 |
1490 |
1410 |
84 |
5 |
32 |
62 |
1820 |
1515 |
875 |
1400 |
|
1300 |
630 |
1685 |
1575 |
1495 |
86 |
5 |
32 |
62 |
2215/1320 |
1715/1150 |
965 |
1490 |
