蓄能器式0.3S液控快速启闭阀(整体式)
产品简介
我公司生产的液控快速启闭阀是具有自主知识产权的高科技机电液一体化产品。具有体积小、外形美观、安全可靠、运行寿命长,性能优良、安装使用维护方便等优点。
本系列产品传动部分均为恒力臂的紧凑型齿轮齿条传动机构,并提供成套的电液控制及油源装置,也可利用现场油源直接进行控制,并能按工况要求另外接入OPC、AST及其他保安油源实现多点控制。并在执行器油缸尾部设有行缓冲装置,防止快速动作时的缸击及震动,有效保护阀门及设备安全运行。产品根据工作环境的要求导致配套元件的不同,分为常规快速启闭阀和防爆快速启闭阀;根据紧急快速启闭时储能元件的不同又分为蓄能器式和弹簧式两种不同的型式。
销售热线:
产品详情
主要标准与基本参数Main criteria and basic parameters
|
制造标准Manufacturing standard |
JB/T 11490、JB/T 8527 |
|
|
结构⻓度Face - to -Face |
GB/T 12221 |
|
|
配管法兰Piping flange |
JB/T 74~90、GB/T 12380、GB/T 9112-9131 |
|
|
压力-温度等级Pressure - temperature rating |
GB/T 9131、HGJ 67、JB/T 74 |
|
|
质量保证Quality assurance |
TS 2710873 |
|
|
试验与检验Test and inspection |
GB/T 13927 |
|
|
公称通径DN |
200~2400 mm |
|
|
公称压力PN |
0.25~10.0Mpa、150~600LB |
|
|
试验压力 Test pressure |
密封Seal |
1.1×PN |
|
强度Intensity |
1.5×PN |
|
|
工作压力Working pressure |
0.8×PN |
|
|
快速启闭时间Fast opening and closing time |
0.2~0.8S |
|
主要零部件材料Main parts material
|
阀体材料 |
C |
I |
P |
P8 |
P3 |
R |
R8 |
R3 |
|
阀体Body |
WCB |
ZG1Cr5Mo |
ZG12Cr |
CF8(304) |
CF3(304L) |
ZG1Cr18Ni |
CF8M(316) |
CF3M(316L) |
|
蝶板Disc |
WCB |
ZG1Cr5Mo |
ZG12Cr |
CF8(304) |
CF3(304L) |
ZG1Cr18Ni |
CF8M(316) |
CF3M(316L) |
|
压圈 |
WCB |
ZG1Cr5Mo |
ZG12Cr |
CF8(304) |
CF3(304L) |
ZG1Cr18Ni |
CF8M(316) |
CF3M(316L) |
|
阀杆Stem |
20Cr13 |
25Cr2Mo1V |
12Cr18Ni9 |
06Cr19Ni9 |
022Cr 19Ni10 |
12Cr18Ni 12Mo2Ti |
06Cr17Ni 12Mo2 |
022Cr17Ni 14Mo2 |
|
阀座Seat |
堆焊 |
堆焊Surfacing |
堆焊Surfacing |
堆焊 |
堆焊Surfacing |
堆焊Surfacing STL |
堆焊Surfacing |
堆焊Surfacing |
|
适用介质 |
水、蒸汽、气体、油品等 |
硝酸等腐蚀性介质 |
强氧化性介质 |
醋酸等腐蚀性介质 corrosive media |
尿素等腐蚀性
介质 |
|||
|
适用温度(°C) |
-29~425 |
-29~550 |
-29~600 |
|||||
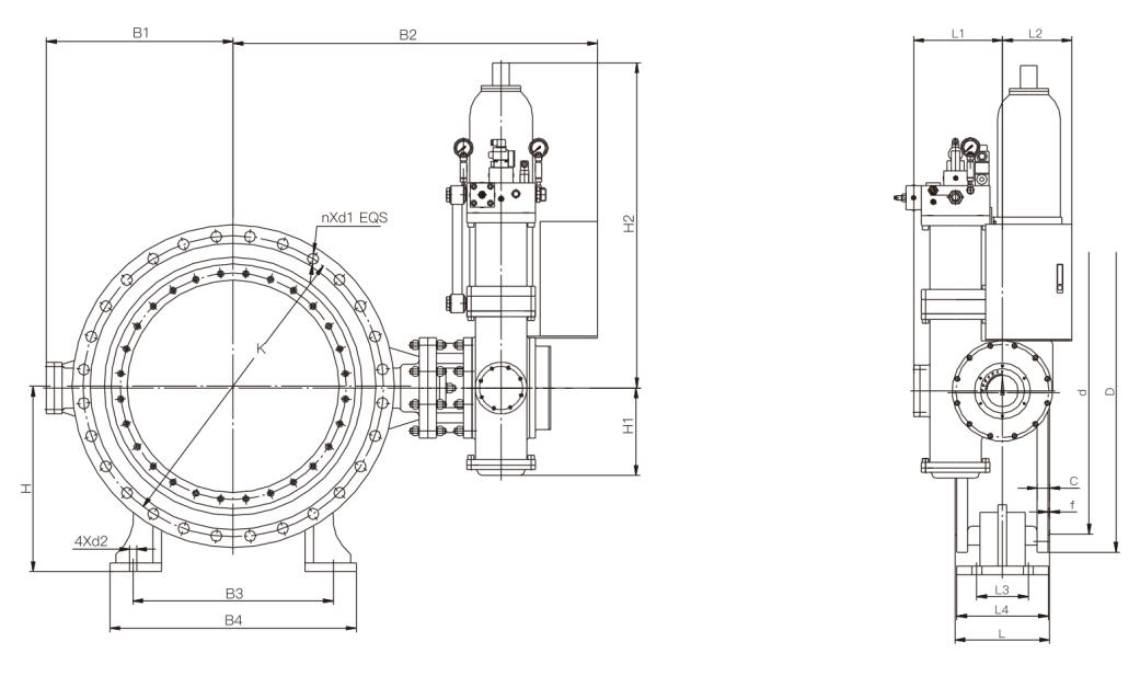
蓄能器式0.3S液控快速启闭阀(整体式)主要外形尺寸
Main external dimensions of accumulator-type 0.3s hydraulic quick-acting valve (integral) PN=0.6Mpa
|
DN |
L |
D |
K |
d |
C |
f |
n |
d1 |
d2 |
L1 |
L2 |
L3 |
|
500 |
229 |
645 |
600 |
568 |
26 |
2 |
20 |
22 |
32 |
305 |
145 |
150 |
|
600 |
267 |
755 |
705 |
667 |
26 |
2 |
20 |
26 |
32 |
305 |
145 |
150 |
|
700 |
292 |
860 |
810 |
772 |
26 |
5 |
24 |
26 |
32 |
305 |
155 |
180 |
|
800 |
318 |
975 |
920 |
878 |
26 |
5 |
24 |
30 |
32 |
305 |
155 |
180 |
|
900 |
330 |
1075 |
1020 |
978 |
26 |
5 |
24 |
30 |
36 |
345 |
155 |
180 |
|
1000 |
410 |
1175 |
1120 |
1078 |
26 |
5 |
28 |
30 |
36 |
345 |
155 |
200 |
|
1200 |
470 |
1405 |
1340 |
1295 |
28 |
5 |
32 |
33 |
36 |
430 |
155 |
200 |
|
1300 |
530 |
1520 |
1450 |
1405 |
32 |
5 |
32 |
33 |
42 |
430 |
155 |
260 |
|
1400 |
530 |
1630 |
1560 |
1510 |
32 |
5 |
36 |
36 |
42 |
430 |
155 |
260 |
|
1500 |
600 |
1730 |
1660 |
1610 |
34 |
5 |
36 |
36 |
42 |
480 |
240 |
260 |
|
1600 |
600 |
1830 |
1760 |
1710 |
34 |
5 |
40 |
36 |
42 |
480 |
240 |
270 |
|
1750 |
670 |
1995 |
1920 |
1868 |
36 |
5 |
44 |
39 |
42 |
480 |
240 |
300 |
|
1800 |
670 |
2045 |
1970 |
1918 |
36 |
5 |
44 |
39 |
42 |
480 |
240 |
300 |
|
2000 |
760 |
2265 |
2180 |
2125 |
38 |
5 |
48 |
42 |
42 |
520 |
320 |
360 |
|
2200 |
590 |
2475 |
2390 |
2335 |
42 |
6 |
52 |
42 |
42 |
520 |
320 |
300 |
|
2400 |
650 |
2685 |
2600 |
2545 |
45 |
6 |
56 |
42 |
48 |
520 |
320 |
350 |
蓄能器式0.3S液控快速启闭阀(整体式)主要外形尺寸
Main external dimensions of accumulator-type 0.3s hydraulic quick-acting valve (integral) PN=1.0Mpa
|
DN |
L |
D |
K |
d |
C |
f |
n |
d1 |
d2 |
L1 |
L2 |
L3 |
|
500 |
229 |
670 |
620 |
582 |
28 |
2 |
20 |
26 |
32 |
305 |
145 |
150 |
|
600 |
267 |
780 |
725 |
682 |
34 |
2 |
20 |
30 |
32 |
305 |
145 |
150 |
|
700 |
292 |
895 |
840 |
794 |
34 |
5 |
24 |
30 |
32 |
305 |
145 |
180 |
|
800 |
318 |
1015 |
950 |
901 |
36 |
5 |
24 |
33 |
32 |
345 |
155 |
180 |
|
900 |
330 |
1115 |
1050 |
1001 |
38 |
5 |
28 |
33 |
36 |
345 |
155 |
180 |
|
1000 |
410 |
1230 |
1160 |
1112 |
38 |
5 |
28 |
36 |
36 |
430 |
155 |
200 |
|
1100 |
410 |
1340 |
1270 |
1222 |
42 |
5 |
28 |
36 |
36 |
430 |
155 |
200 |
|
1200 |
470 |
1455 |
1380 |
1328 |
44 |
5 |
32 |
39 |
36 |
430 |
155 |
200 |
|
1250 |
470 |
1505 |
1430 |
1378 |
44 |
5 |
32 |
39 |
36 |
430 |
155 |
200 |
|
1300 |
530 |
1575 |
1490 |
1425 |
44 |
5 |
32 |
42 |
42 |
430 |
155 |
260 |
|
1400 |
530 |
1675 |
1590 |
1530 |
48 |
5 |
36 |
42 |
42 |
480 |
240 |
260 |
|
1500 |
600 |
1785 |
1700 |
1640 |
48 |
5 |
36 |
48 |
42 |
480 |
240 |
260 |
|
1600 |
600 |
1915 |
1820 |
1750 |
52 |
5 |
40 |
48 |
42 |
480 |
240 |
270 |
|
1750 |
670 |
2065 |
1970 |
1900 |
54 |
5 |
44 |
48 |
42 |
480 |
240 |
300 |
|
1800 |
670 |
2115 |
2020 |
1950 |
56 |
5 |
44 |
48 |
42 |
480 |
240 |
300 |
|
2000 |
760 |
2325 |
2230 |
2150 |
60 |
5 |
48 |
48 |
42 |
520 |
320 |
360 |
蓄能器式0.3S液控快速启闭阀(整体式)主要外形尺寸
Main external dimensions of accumulator-type 0.3s hydraulic quick-acting valve (integral) PN=1.6Mpa
|
DN |
L |
D |
K |
d |
C |
f |
n |
d1 |
d2 |
L1 |
L2 |
L3 |
|
500 |
229 |
715 |
650 |
609 |
38 |
2 |
20 |
33 |
|
305 |
145 |
150 |
|
600 |
267 |
840 |
770 |
720 |
38 |
2 |
20 |
36 |
32 |
305 |
145 |
150 |
|
700 |
292 |
910 |
840 |
794 |
40 |
5 |
24 |
36 |
32 |
345 |
155 |
180 |
|
800 |
318 |
1025 |
950 |
901 |
42 |
5 |
24 |
39 |
32 |
345 |
155 |
180 |
|
900 |
330 |
1125 |
1050 |
1001 |
44 |
5 |
28 |
39 |
36 |
430 |
155 |
180 |
|
1000 |
410 |
1255 |
1170 |
1112 |
46 |
5 |
28 |
42 |
36 |
430 |
155 |
200 |
|
1100 |
410 |
1370 |
1280 |
1222 |
46 |
5 |
28 |
42 |
36 |
430 |
155 |
200 |
|
1200 |
470 |
1485 |
1390 |
1328 |
52 |
5 |
32 |
48 |
36 |
480 |
240 |
200 |
|
1250 |
470 |
1535 |
1440 |
1378 |
52 |
5 |
32 |
48 |
36 |
480 |
240 |
200 |
|
1300 |
530 |
1585 |
1490 |
1425 |
54 |
5 |
32 |
48 |
42 |
480 |
240 |
260 |
|
1400 |
530 |
1685 |
1590 |
1530 |
58 |
5 |
36 |
48 |
42 |
480 |
240 |
260 |
|
1500 |
600 |
1820 |
1710 |
1640 |
60 |
5 |
36 |
48 |
42 |
520 |
320 |
260 |
|
1600 |
600 |
1930 |
1820 |
1750 |
64 |
5 |
40 |
55 |
42 |
520 |
320 |
270 |
|
1750 |
670 |
2080 |
1970 |
1900 |
66 |
5 |
44 |
55 |
42 |
520 |
320 |
300 |
|
1800 |
670 |
2130 |
2020 |
1950 |
68 |
5 |
44 |
55 |
42 |
520 |
320 |
300 |
|
2000 |
760 |
2345 |
2230 |
2150 |
70 |
5 |
48 |
60 |
42 |
520 |
320 |
360 |
蓄能器式0.3S液控快速启闭阀(整体式)主要外形尺寸
Main external dimensions of accumulator-type 0.3s hydraulic quick-acting valve (integral) PN=2.5Mpa
|
DN |
L |
D |
K |
d |
C |
f |
n |
d1 |
d2 |
L1 |
L2 |
L3 |
|
500 |
229 |
730 |
660 |
609 |
48 |
2 |
20 |
36 |
32 |
305 |
145 |
150 |
|
600 |
267 |
845 |
770 |
720 |
50 |
2 |
20 |
39 |
32 |
305 |
145 |
150 |
|
700 |
292 |
960 |
875 |
820 |
50 |
5 |
24 |
42 |
32 |
345 |
155 |
180 |
|
800 |
318 |
1085 |
990 |
928 |
54 |
5 |
24 |
48 |
32 |
345 |
155 |
180 |
|
900 |
330 |
1185 |
1090 |
1028 |
58 |
5 |
28 |
48 |
36 |
430 |
155 |
180 |
|
1000 |
410 |
1320 |
1210 |
1140 |
58 |
5 |
28 |
55 |
36 |
430 |
155 |
200 |
|
1100 |
410 |
1425 |
1315 |
1245 |
60 |
5 |
28 |
55 |
36 |
430 |
155 |
200 |
|
1200 |
470 |
1530 |
1420 |
1350 |
62 |
5 |
32 |
55 |
36 |
480 |
240 |
200 |
|
1250 |
470 |
1575 |
1470 |
1400 |
62 |
5 |
32 |
55 |
36 |
480 |
240 |
200 |
|
1300 |
530 |
1640 |
1530 |
1450 |
70 |
5 |
32 |
60 |
42 |
480 |
240 |
260 |
|
1400 |
530 |
1755 |
1640 |
1560 |
76 |
5 |
36 |
60 |
42 |
480 |
240 |
260 |
|
1500 |
600 |
1865 |
1750 |
1670 |
80 |
5 |
36 |
60 |
42 |
520 |
320 |
260 |
|
1600 |
600 |
1975 |
1860 |
1780 |
84 |
5 |
40 |
60 |
42 |
520 |
320 |
270 |
蓄能器式0.3S液控快速启闭阀(整体式)主要外形尺寸
Main external dimensions of accumulator-type 0.3s hydraulic quick-acting valve (integral) PN=4.0Mpa
|
DN |
L |
D |
K |
d |
C |
f |
n |
d1 |
d2 |
L1 |
L2 |
L3 |
|
500 |
350 |
755 |
670 |
615 |
58 |
2 |
20 |
42 |
32 |
305 |
145 |
150 |
|
600 |
390 |
890 |
795 |
735 |
62 |
2 |
20 |
48 |
32 |
305 |
145 |
150 |
|
700 |
430 |
995 |
900 |
840 |
64 |
5 |
24 |
48 |
32 |
345 |
155 |
180 |
|
800 |
470 |
1140 |
1030 |
960 |
70 |
5 |
24 |
56 |
32 |
345 |
155 |
180 |
|
900 |
510 |
1250 |
1140 |
1070 |
74 |
5 |
28 |
56 |
36 |
430 |
155 |
180 |
|
1000 |
550 |
1360 |
1250 |
1180 |
78 |
5 |
28 |
56 |
36 |
430 |
155 |
200 |
|
1100 |
550 |
1470 |
1360 |
1290 |
80 |
5 |
28 |
56 |
36 |
430 |
155 |
200 |
|
1200 |
630 |
1570 |
1460 |
1380 |
84 |
5 |
32 |
62 |
36 |
480 |
240 |
200 |
|
1250 |
630 |
1600 |
1490 |
1410 |
84 |
5 |
32 |
62 |
36 |
480 |
240 |
200 |
|
1300 |
630 |
1685 |
1575 |
1495 |
86 |
5 |
32 |
62 |
42 |
480 |
240 |
260 |
